詳細介紹
| 產品用途 伸縮蝶閥為法蘭式蝶閥和管道伸縮器兩種功能為一體,即能起到節流作用,又能解決溫差所產生的內力的消除,即起到伸縮作用。該閥可在電力、冶金、石油、化工、煤氣、城市供熱、水電造紙、輕紡、醫藥、食品、供排水、能源、一切非腐蝕性的氣體、液體、半流體以及固體粉末管線和容器上作為調節和截流使用。可任意位置安裝,不受介質、流向的影響,另作閥門安裝時兩法蘭間距的調節。 1、設計新穎,結構獨特。 2、體積小,重量輕。 3、操作輕便省力,啟閉迅速。 4、密封部位能調節和更換,密封性能可靠,流阻小,節能。 主要技術參數
標準規范
主要零件材料
主要外形尺寸與法蘭連接尺寸
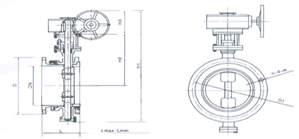
產品尺寸![]() | |||||||||||||||||||||||||||||||||||||||||||||||||||||||||||||||||||||||||||||||||||||||||||||||||||||||||||||||||||||||||||||||||||||||||||||||||||||||||||||||||||||||||||||||||||||||||||||||||||||||||||||||||||||||||||
溫馨提示:“ds341x伸縮蝶閥”所有文字、數據、圖片均只適用于參考。
如需與實物相吻合的性能參數、結構尺寸參數等詳情請來電來函索取。
電話:021-68103333 傳真:021-51686322
如需與實物相吻合的性能參數、結構尺寸參數等詳情請來電來函索取。
電話:021-68103333 傳真:021-51686322

軟密封蝶閥視頻介紹





掃一掃關注我們