詳細介紹
| 用途及用途 該薄型球閥是吸收意大利技術并經國產化設計而發展出來的新型超短法蘭距球閥。 它采用直連方式執行機構連接,具有結構緊湊、尺寸小、重量輕、摩擦阻力小、回差小、動作穩定可靠等優點。 技術參數
安裝尺寸表
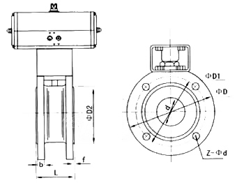
產品尺寸![]() | ||||||||||||||||||||||||||||||||||||||||||||||||||||||||||||||||||||||||||||||||||||||||||||||||||||||||||||||||||||||||||||||||||||||||||||||||||||||||||||||||||||||||||||||||||||||||||||||||||||||||||||||||||||
溫馨提示:“Q671/641超薄型氣動球閥”所有文字、數據、圖片均只適用于參考。
如需與實物相吻合的性能參數、結構尺寸參數等詳情請來電來函索取。
電話:021-68103333 傳真:021-51686322
如需與實物相吻合的性能參數、結構尺寸參數等詳情請來電來函索取。
電話:021-68103333 傳真:021-51686322

軟密封蝶閥視頻介紹





掃一掃關注我們